✕
8 800 775-77-55
О компании
Контакты
Оплата и доставка
Тендеры и гос. заказ
8 800 775-77-55
Заказать звонок
19
6.3IDS
Каталог запасных частей
Инструкция по эксплуатации
Техобслуживание
Сервис
Сайт Запасные части для минипогрузчиков MultiOne
28. НАКЛОННАЯ ПЛАСТИНА
49. ХРАНИТЕЛЬ И БУФЕР ДОКУМЕНТОВ
13. ЦИЛИНДРЫ И УСИЛИТЕЛЬ РУЛЕВОГО УПРАВЛЕНИЯ
37. СИСТЕМА ЗАЩИТЫ ОТ ОПРОКИДЫВАНИЯ КОМПЛЕКТА TAV. 35A-СТРЕЛА
56. Мультиконектор 2-го поеления
10. Резьбовые отверстия
44. ПЕРЕДНЯЯ ПРАВАЯ КРЫШКА
38. ЗАДНЯЯ КРЫШКА КАБИНЫ
5. Педаль
26. Колеса
1.Фильтры
54. Джойстик
11. Составляющие к двигателю
33. НАКЛАДКА НА ШАРНИРЫ И НАСОСЫ
32. ОПОРА ЗАДНЕЙ КРЫШКИ
12. Комплектующие к колесным двигателям
16. РАМА РАДИАТОРА ДВИГАТЕЛЯ
36. ПОДСТАВКА ДЛЯ НОГ
52. КОМПОНЕНТЫ СТРЕЛЫ
34. ЗАДНЯЯ СТОРОНА И КРЫШКА ДВИГАТЕЛЯ
17. глушитель
45. ПРАВАЯ БОКОВАЯ ПАНЕЛЬ ПРИБОРОВ
55. ЭЛЕКТРИЧЕСКИЕ ВЫКЛЮЧАТЕЛИ 2-ГО ПОКОЛЕНИЯ
29. СОЕДИНИТЕЛЬНАЯ ПЛАСТИНА
9. Колесные двигатели
31. ТОПЛИВНЫЕ ШЛАНГИ
21. КЛАПАН ИЗМЕНЕНИЯ СКОРОСТИ ВРАЩЕНИЯ
15. МАСЛЯНЫЕ ШЛАНГИ
40. ПЕРЕДНЯЯ ПРИБОРНАЯ ПАНЕЛЬ
20. РАСПРЕДЕЛИТЕЛЬНЫЕ ФИТИНГИ
43. ПЕРЕДНЯЯ ЛЕВАЯ СТОРОНА
7. Маслянный кулер
41.TAV. 38-СИСТЕМА ЗАЩИТЫ ОТ ОПРОКИДЫВАНИЯ В КОМПЛЕКТЕ - ОПОРНЫЕ КРОНШТЕЙНЫ
48. Сиденье
50. ПРОЗРАЧНОЕ ОРГСТЕКЛО
46. ДЕРЖАТЕЛЬ ДЛЯ ФАР
35. ЗАДНИЙ БРЫЗГОВИК
53. ГИДРАВЛИЧЕСКАЯ СХЕМА ОБСЛУЖИВАНИЯ
2.Двигатель
42. ПЕРЕДНИЙ БРЫЗГОВИК
30. ПЕРЕКЛАДИНА
57. Мультиконектор 3-го поколения
51. ЭЛЕКТРИЧЕСКИЕ ДЕТАЛИ
6. Радиатор
22. Батарея
18. БЛОК КЛАПАНОВ
14. МАСЛОСБОРНИК И КЛАПАН DBS
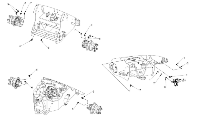
19. КОЛЕСА, МОТОРНАЯ АРМАТУРА
27. Стрела
4. Насос
Сочленение
3. Соединительные части двигателя
25. РАЗЪЕМЫ И ПРЕДОХРАНИТЕЛИ
39. ПОД ЧЕХЛОМ СИДЕНЬЯ
24. ТОПЛИВНЫЙ БАК
47. ПОД ПРИКРЫТИЕМ СТРЕЛЫ
23. ВОЗДУШНЫЙ ФИЛЬТР
Запасные части для минипогрузчиков MultiOne 6.3IDS
1. C019203
В корзину
-
+
2. C023100
В корзину
-
+
3. C028298
В корзину
-
+
4. C033002
В корзину
-
+
5. C033073
В корзину
-
+
6. C033133
В корзину
-
+
7. C033134
В корзину
-
+
✕
Заказать звонок
Заказать
✕
Заказать звонок
Спасибо, менеджер скоро перезвонит вам.