✕
8 800 775-77-55
О компании
Контакты
Оплата и доставка
Тендеры и гос. заказ
8 800 775-77-55
Заказать звонок
0
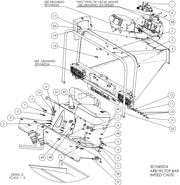
Arborist 190
Каталог запасных частей
Инструкция по эксплуатации
Техобслуживание
Сервис
Сайт GreenMech
Кронштейн натяжителя ремня
Неподвижный ролик
Загрузочный желоб
Гидростатический привод
Загрузочный желоб
Деталь привода маховика
Редуктор
Поддон двигателя
Отсек двигателя
Роликовая коробка
Замок пружинного болта маховика
Скользящий ролик
Маховик
Объемный блок
Световая панель
Гидравлический трубопровод с приводом от коробки передач
Загрузочный желоб
Разгрузочный желоб
Откидная правая боковая распределительная коробка
Разгрузочный желоб
Разгрузочный желоб
Разгрузочный желоб
Капот
Роликовая скользящая пластина
Загрузочный желоб
Задняя верхняя крышка, нижняя пластина
Задняя крышка
Двигатель kubota
Разгрузочный желоб
Капот
Лебедка
Задняя крышка
Корпус
Привод маховика
Электрическая система
Отсек двигателя
4 резца маховика
Загрузочный желоб
Откидная левая боковая распределительная коробка
Отсек двигателя
Роликовая коробка камеры измельчителя
Капот
Роликовая коробка камеры измельчителя
Выхлопная система
Световая панель
Гидравлические трубопроводы-гидростатические
Поддон двигателя
Защелка капота в сборе
Капот
Узел крепления редукционного клапана
Гидравлический масляный бак
Вал для снятия натяжения в сборе
Двойная пружинная анкерная пластина
Верхняя панель блока управления
Фиксирующий механизм
Загрузочный желоб
Отсек двигателя
Задняя верхняя крышка
Задняя крышка
Скачать каталог
GreenMech Arborist 190
1. 90855
В корзину
-
+
2. 90802A
В корзину
-
+
3. 60820
В корзину
-
+
4. 90801
В корзину
-
+
5. 90616S
В корзину
-
+
6. 90602A
В корзину
-
+
7. 90820S
В корзину
-
+
8. 90803
В корзину
-
+
9. 912140
В корзину
-
+
10. 91202N25
В корзину
-
+
11. 91202B
В корзину
-
+
12. 91201
В корзину
-
+
16. 60615
В корзину
-
+
17. 90602R20
В корзину
-
+
19. 90601
В корзину
-
+
20. 90825S
В корзину
-
+
22. 90802B
В корзину
-
+
35. 301040027
В корзину
-
+
36. 301040025
В корзину
-
+
37. 301030064
В корзину
-
+
38. 900990407
В корзину
-
+
39. QC160-6-51
В корзину
-
+
40. 900950357
В корзину
-
+
41. 301030065
В корзину
-
+
43. 900990011
В корзину
-
+
44. 900990316
В корзину
-
+
45. 30104007
В корзину
-
+
46. C170409
В корзину
-
+
48. 90501PT
В корзину
-
+
49. 90503
В корзину
-
+
✕
Заказать звонок
Заказать
✕
Заказать звонок
Спасибо, менеджер скоро перезвонит вам.