✕
8 800 775-77-55
О компании
Контакты
Оплата и доставка
Тендеры и гос. заказ
8 800 775-77-55
Заказать звонок
0
230s
Каталог запасных частей
Инструкция по эксплуатации
Техобслуживание
Сервис
Сайт JingGong
Трансмиссия
Напольный коврик
Кабина (1)
Конструкция тормозной системы
Гидролиния ковша и рукояти
Пилотная линия (8)
Пилотная линия (3)
Электрическая система - кабина
Электрическая система - проводка
Тавотницы
Педаль
Люк кабины
Демпферные уплотнения
Кабина (4)
Боковая дверь (2)
Пилотная линия (7)
Боковая дверь (1)
Выдвижное сиденье
Корпус отопителя
Кабина (2)
Рулевой мотор
Пилотная линия (5)
Топливная система
Электрическая система - консоль
Генератор
Боковая часть внешнего корпуса
Электрическая система - двигатель
Основание кабины
Трубопровод масляного радиатора
Дверная ручка в сборе
Кронштейн сиденья
Система охлаждения
Противовес
Ковш
Гидравлический бак
Топливный бак
Рама сидения
Радио
Пилотная линия (2)
Трубопровод масляного радиатора.
Пилотная линия (1)
Электрическая система - рабочее освещение
Защитные пластины корпуса
Кронштейны
Рукоять
Гидролиния стрелы
Амортизатор сиденья
Гидролиния – ковш
Радиатор
Электрическая система
Гидролиния – рулевой мотор
Основная рама
Кондиционер (1)
Дефлектор
Нижняя защитная пластина
Аккумулятор
Капот двигателя
Кондиционер (2)
Насос
Трубопровод масляного радиатора (2)
Стрела
Сиденье
Гидролиния - стрела
Панель управления (справа)
Гидролиния – главный насос
Радиатор в сборе
Пилотная линия (6)
Гидролиния
Панель управления (слева)
Глушитель
Нижняя рама в сборе
Воздушный фильтр
Пол кабины
Кабина (3)
Пилотная линия (9)
Пилотная линия (4)
Рулевое управление
Скачать каталог
JingGong 230s
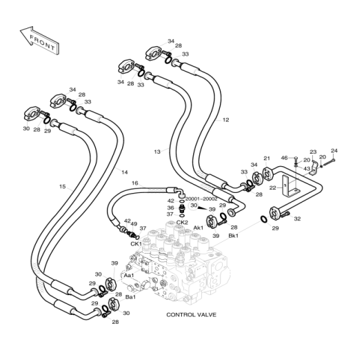
12. 2184-1250D36 Шланг
В корзину
-
+
13. 2184-1250D21 Шланг
В корзину
-
+
14. 2184-1250D22 Шланг
В корзину
-
+
15. 2184-1250D23 Шланг
В корзину
-
+
16. 2184-1198D30-B Шланг
В корзину
-
+
16. DS2023834 Узел шланга
В корзину
-
+
20. S5102703 Пружинная прокладка
В корзину
-
+
21. 2140-1205-A Трубка
В корзину
-
+
22. 2197-1411B Кронштейн
В корзину
-
+
23. 2124-1026D2 Зажим трубы
В корзину
-
+
24. S0561053 Болт
В корзину
-
+
28. S2212266 Болт
В корзину
-
+
29. 2180-1026D19 Уплотнительное кольцо
В корзину
-
+
30. 2181-9078 Фланец
В корзину
-
+
32. S2212366 Болт
В корзину
-
+
33. 2180-1026D2 Уплотнительное кольцо
В корзину
-
+
34. C181-00095 Фланец
В корзину
-
+
36. 2181-4133D3-A Патрубок
В корзину
-
+
37. S8000181 Уплотнительное кольцо
В корзину
-
+
39. 2181-9083 Фланец
В корзину
-
+
42. S8030081 Уплотнительное кольцо
В корзину
-
+
43. S5010713 Прокладка
В корзину
-
+
46. S0515453 Болт
В корзину
-
+
49. 2181-4133D3 Патрубок
В корзину
-
+
✕
Заказать звонок
Заказать
✕
Заказать звонок
Спасибо, менеджер скоро перезвонит вам.