✕
8 800 775-77-55
О компании
Контакты
Оплата и доставка
Тендеры и гос. заказ
8 800 775-77-55
Заказать звонок
6
U17
Каталог запасных частей
Инструкция по эксплуатации
Техобслуживание
Сервис
Сайт Запасные части для миниэкскаваторов Yuchai
41. SUSPENSION SYSTEM
18. HYDRAULIC SYSTEM FOR PILOT PART 4
35. COOLING SYSTEM
4.BOOM
11.HYDRAULIC SYSTEM FOR PLATFORM 5
2.SLEWING PLATFORM
28. FRONT BOX COVER ASSEMBLY
17. HYDRAULIC SYSTEM FOR PILOT PART 3
9.HYDRAULIC SYSTEM FOR PLATFORM 3
19.HYDRAULIC SYSTEM FOR WORKING EQUIPMENT
44. ELECTRICAL ASSEMBLY FOR ENGINE
8.HYDRAULIC SYSTEM FOR PLATFORM 2
30. OVERLAY ASSEMBLY 1
27. INSTRUMENT BRACKET ASSEMBLY
5.ARM
3.DOZER UNIT
42. ENGINE SPARE PARTS
16. HYDRAULIC SYSTEM FOR PILOT PART 2
26. RIGHT CONTROL BOX ASSEMBLY
7.HYDRAULIC SYSTEM FOR PLATFORM 1
36. AIR INLET SYSTEM
32. OVERLAY ASSEMBLY 3
15. HYDRAULIC SYSTEM FOR PILOT PART 1
13. HYDRAULIC SYSTEM FOR PLATFORM 7
20. HYDRAULIC SYSTEM FOR ATTACHMENT EQUIPMENT 1
46. ELECTRICAL ASSEMBLY FOR CAB
22. SEAT FRAME
25. SEAT ASSEMBLY
38. EXHAUST SYSTEM
49. CANOPY
12. HYDRAULIC SYSTEM FOR PLATFORM 6
40. POWER OUTPUT SYSTEM
21. HYDRAULIC SYSTEM FOR ATTACHMENT EQUIPMENT 2
14. HYDRAULIC SYSTEM FOR CHASSIS
37. THROTTLE CONTROL SYSTEM
23. LEFT CONTROL BOX ASSEMBLY
1.CHASSIS ASSEMBLY
31. OVERLAY ASSEMBLY 2
39. FUEL SYSTEM
43. ELECTRICAL ASSEMBLY FOR PLATFORM
45. BATTERY ASSEMBLY
33. OVERLAY ASSEMBLY 4
24. TRAVEL MECHANISM
10.HYDRAULIC SYSTEM FOR PLATFORM 4
34. SLEWING ASSEMBLY
29. SPONGE COMPONENT
6.BUCKET
47. ELECTRICAL ASSEMBLY OF CONTROL BOX
48. ELECTRICAL ASSEMBLY FOR BOOM LAMP
Запасные части для миниэкскаваторов Yuchai U17
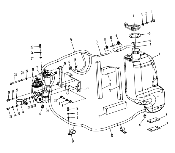
1. 0206-001000025-84 Bolt
В корзину
-
+
2. 0401-010-05 Spring washer
В корзину
-
+
3. 0404-010-05 Washer
В корзину
-
+
4. U17A1-1205005 Bracket
В корзину
-
+
5. U17A1-1205006 Rubber
В корзину
-
+
6. 1001-016-90 Hoop
В корзину
-
+
7. T1004-030013 Pipe
В корзину
-
+
8. U17A1-1205100 Fuel tank
В корзину
-
+
9. E15A1-1201007 Rubber
В корзину
-
+
10. T1004-030075 Pipe
В корзину
-
+
11. U17A1-1205007 Sponge
В корзину
-
+
12. U17A1-1205004 Sponge
В корзину
-
+
13. U17A1-1205001 Sponge
В корзину
-
+
14. U17A1-1205003 Sponge
В корзину
-
+
15. 889-1205007 Hoop
В корзину
-
+
16. 0206-001000016-65 Bolt
В корзину
-
+
17. U17A1-1205200 Bracket
В корзину
-
+
18. 1001-012-90 Hoop
В корзину
-
+
19. U17A1-1205400 Bracket
В корзину
-
+
20. T1004-030012 Pipe
В корзину
-
+
21. 0206-000600016-65 Bolt
В корзину
-
+
22. 0401-006-05 Spring washer
В корзину
-
+
23. 0403-006-05 Washer
В корзину
-
+
24. 839-1291009 Hoop
В корзину
-
+
25. 0206-000800025-65 Bolt
В корзину
-
+
26. 0401-008-05 Spring washer
В корзину
-
+
27. 0404-008-05 Washer
В корзину
-
+
28. 0204-000800070-65 Bolt
В корзину
-
+
29. T1004-030077 Pipe
В корзину
-
+
30. T1004-030020 Pipe
В корзину
-
+
31. T1004-030004 Pipe
В корзину
-
+
32. U17A1-1205002 Joint
В корзину
-
+
33. 0206-001000030-65 Bolt
В корзину
-
+
✕
Заказать звонок
Заказать
✕
Заказать звонок
Спасибо, менеджер скоро перезвонит вам.