✕
8 800 775-77-55
О компании
Контакты
Оплата и доставка
Тендеры и гос. заказ
8 800 775-77-55
Заказать звонок
0
U35
Каталог запасных частей
Инструкция по эксплуатации
Техобслуживание
Сервис
Сайт Запасные части для миниэкскаваторов Yuchai
8.HYDRAULIC SYSTEM FOR PLATFORM 2
27. PANEL ASSEMBLY 3
19.HYDRAULIC SYSTEM FOR PILOT PART 4
11.HYDRAULIC SYSTEM FOR PLATFORM 5
37. ELECTRICAL ASSEMBLY FOR PLATFORM
12.HYDRAULIC SYSTEM FOR PLATFORM 6
40. BATTERY ASSEMBLY
30. AIR INLET SYSTEM
44. CAB
9.HYDRAULIC SYSTEM FOR PLATFORM 3
17.HYDRAULIC SYSTEM FOR PILOT PART 2
20.HYDRAULIC SYSTEM FOR PILOT PART 5
46. INNER PLATE SUBASSEMBLY
28. SLEWING SUPPORT
53. FUEL SYSTEM
16.HYDRAULIC SYSTEM FOR PILOT PART 1
5.ARM
47. CAB
32. FUEL SYSTEM
43. ELECTRICAL ASSEMBLY FOR BOOM LAMP
24.AIR-CONDITION SYSTEM
33. POWER OUTPUT SYSTEM
25. PANEL ASSEMBLY 1
7.HYDRAULIC SYSTEM FOR PLATFORM 1
13.HYDRAULIC SYSTEM FOR PLATFORM 7
38. ELECTRIC ASSMBLY
14.TRAVEL EQUIPMENT HYDRAULIC SYSTEM 1
42. ELECTRICAL ASSEMBLY OF CONTROL BOX
57. AIR INLET SYSTEM
29. COOLING SYSTEM
49. ELECTRICAL ASSEMBLY FOR CAB
34. SUSPENSION SYSTEM
56. COOLING SYSTEM
51. ELECTRICAL ASSEMBLY FOR BOOM LAMP
3.DOZER EQUIPMENT
26. PANEL ASSEMBLY 2
35. ENGINE SPARE PART
18.HYDRAULIC SYSTEM FOR PILOT PART 3
2.SLEWING PLATFROM
1.CHASSIS ASSEMBLY
58. ENGINE SPARE PART
39. ELECTRICAL ASSEMBLY FOR ENGINE
22. HYDRAULIC SYSTEM FOR ATTACHMENT EQUIPMENT
10.HYDRAULIC SYSTEM FOR PLATFORM 4
55. ENGINE SPARE PART
21.HYDRAULIC SYSTEM FOR WORKING EQUIPMENT
36. AIR-CONDITIONED COMPRESSOR SYSTEM
15.TRAVEL EQUIPMENT HYDRAULIC SYSTEM 2
23. OPERATING MECHANISM
6.BUCKET
50. ELECTRICAL ASSEMBLY OF CONTROL BOX
48. ELECTRICAL ASSEMBLY FOR ENGINE
54. SUSPENSION SYSTEM
52. TROTTLE CONTROL SYSTEM
45. CAB DOOR
31. EXHAUST SYSTEM
4.BOOM
41. ELECTRICAL ASSEMBLY FOR CAB
Запасные части для миниэкскаваторов Yuchai U35
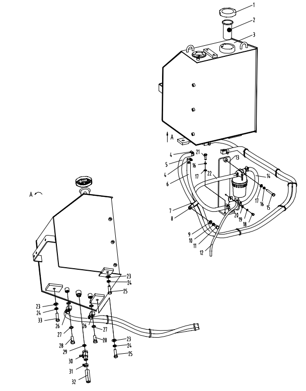
1. 860J-1255400 Lock cover
В корзину
-
+
2. 860J-1255002 Strainer
В корзину
-
+
3. 835A-1205100B Fuel tank
В корзину
-
+
4. 1001-016-90 Hoop
В корзину
-
+
5. T1004-030027 Fuel pipe
В корзину
-
+
6. T1004-030017 Fuel pipe
В корзину
-
+
7. 860R-1205002 Rubber jacket
В корзину
-
+
8. 860R-1205001 Hose hoop
В корзину
-
+
9. 0404-010-05 Washer
В корзину
-
+
10. 0401-010-05 Spring washer
В корзину
-
+
11. 0206-001000020-65
В корзину
-
+
12. 860R-1205003 Drain pipe
В корзину
-
+
13. E35B1-1205100A Bracket
В корзину
-
+
14. T1004-030015 Fuel pipe
В корзину
-
+
15. 0204-000800070-65 Bolt
В корзину
-
+
16. 0401-008-05 Spring washer
В корзину
-
+
17. 0404-008-05 Washer
В корзину
-
+
18. 0206-000600012-65 Bolt
В корзину
-
+
19. 0401-006-05 Spring washer
В корзину
-
+
20. 0404-006-05
В корзину
-
+
21. 0206-000800025-65 Bolt
В корзину
-
+
22. T1004-030026 Fuel pipe
В корзину
-
+
23. 0401-012-05 Spring washer
В корзину
-
+
24. 0404-012-05
В корзину
-
+
25. 0206-001200035-65 Bolt
В корзину
-
+
26. 830D-0501008 F.o joint
В корзину
-
+
27. 0416-014-00 seal
В корзину
-
+
28. 820-8500001 Bolt
В корзину
-
+
29. 860-1205005 Rubber ring
В корзину
-
+
30. 860-1205600 F.O drain
В корзину
-
+
31. 1001-032-90
В корзину
-
+
32. T1004-030064 Fuel pipe
В корзину
-
+
33. 0206-001200025-65 Bolt
В корзину
-
+
✕
Заказать звонок
Заказать
✕
Заказать звонок
Спасибо, менеджер скоро перезвонит вам.