✕
8 800 775-77-55
О компании
Контакты
Оплата и доставка
Тендеры и гос. заказ
8 800 775-77-55
Заказать звонок
4
BSL350EX v4
Каталог запасных частей
Инструкция по эксплуатации
Техобслуживание
Сервис
Сайт Запасные части для погрузчиков с бортовым поворотом Bawoo
4. Переходная плита
12-1. Крышка машинного отделения Kohler
48. Кабельная линия Kubota
33. Гидравлический трубопровод удлиненной стрелы
3-1. Телескопическая стрела
18. Система регулирующих клапанов для джойстика
12. Крышка машинного отделения Kubota
42. Электрическая система для стеклоочистителя, омывающей жидкости, вращающегося маяка
16. Кабина оператора и шина
21. Радиатор Kubota
25. Гидравлический бак и топливный бак
26. Топливопровод Kubota
17. Ручка рулевого управления, джойстик управления
2. Вал двигателя
15. Передняя дверь в сборе
22. Глушитель Kubota
38. Электрическая система Kubota
34. Гидравлическая линия высокоточной системы
43. Предохранительное устройство
7. Наклонный цилиндр
35-1. Кондиционер воздуха Kohler
19. Двигатель Kubota
26-1 Топливопровод Kohler
48-1. Кабельная линия Kohler
9. Внешние кузовные части
8. Телескопический цилиндр
45. Приводной насос
39. Электрическая система для кондиционера и обогревателя воздуха
14. Кабина оператора, ограждение кабины
20. Насос
6. Подъемный цилиндр
21-1. Радиатор Kohler
44. Электрические детали — резервная сигнализация
19-1. Двигатель Kohler
29. Вспомогательная гидравлическая линия
38-1. Электрическая система Kohler
5. Ковш
11. Верхняя крышка машинного отделения с гидравлическим охладителем в сборе
1. Ходовая часть
47. Регулирующий клапан
22-1. Глушитель Kohler
46. Приводной двигатель
3. Стрела
31. Гидравлическая магистраль приводной части
28. Гидравлическая линия ковша
37. Приборная панель, кабина
37-1. Приборная панель, ограждение кабины
40. Тормозная и электромагнитная магистраль
30. Главная гидравлическая линия
13. Кабина оператора с открытым навесом
36-1. Система обогрева Kohler
23. Детали, относящиеся к двигателю Kubota
36. Система обогрева Kubota
24. Воздухоочиститель Kubota
32. Гидравлическая магистраль стояночного тормоза
35. Кондиционер воздуха Kubota
41. Электрическая система для Hi-flow
24-1. Воздухоочиститель Kohler
27. Гидравлическая линия подъемного рычага
23-1. Детали, относящиеся к двигателю Kohler
Скачать каталог
Запасные части для погрузчиков с бортовым поворотом Bawoo BSL350EX v4
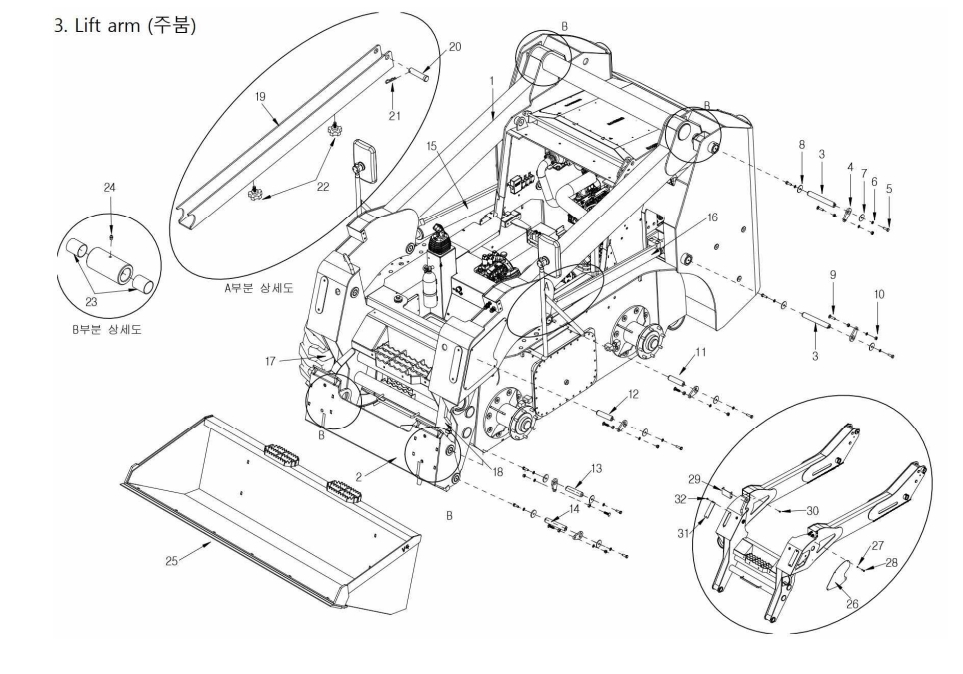
1. Подъемный рычаг в сборе 350T4-0301
В корзину
-
+
2. Накладка в сборе 350T4-0302
В корзину
-
+
3. Штифт 350T4-0303
В корзину
-
+
4. Кронштейн для крепления штифта 330T4-0304-1
В корзину
-
+
5. Болт 330T4-0305
В корзину
-
+
6. Шайба 330T4-0306
В корзину
-
+
7. Шайба 330T4-0307
В корзину
-
+
8. Шайба 330T4-0308
В корзину
-
+
9. Квадратный болт 330T4-0309
В корзину
-
+
10. Гайка 330T4-0310
В корзину
-
+
11. Штифт 330T4-0311-1
В корзину
-
+
12. Штифт 330T4-0312-1
В корзину
-
+
13. Штифт 330T4-0313-1
В корзину
-
+
14. Штифт 330T4-0314-1
В корзину
-
+
15. Цилиндр 330T4-0316
В корзину
-
+
16. Цилиндр 330T4-0317
В корзину
-
+
17. Правый наклонный цилиндр 330T4-0318
В корзину
-
+
18. Левый наклонный цилиндр 330T4-0319
В корзину
-
+
19. Опора стрелы 330T4-0320
В корзину
-
+
20. Штифт 330T4-0321
В корзину
-
+
21. Штифт 330T4-0322
В корзину
-
+
22. Винт 330T4-0323
В корзину
-
+
23. Втулка 330T4-0324
В корзину
-
+
24. Ниппель для смазки 330T4-0325
В корзину
-
+
25. Ковш в сборе 330T4-0329
В корзину
-
+
26. Накладка 330T4-0326
В корзину
-
+
27. Шайба 330T4-0327
В корзину
-
+
28. Болт 330T4-0328
В корзину
-
+
29. Неподвижная пластина для соединительного ниппеля 330T4-0330
В корзину
-
+
30. Болт 330T4-0331
В корзину
-
+
31. Покрытие 330T4-0332
В корзину
-
+
32. Болт 330T4-0333
В корзину
-
+
✕
Заказать звонок
Заказать
✕
Заказать звонок
Спасибо, менеджер скоро перезвонит вам.